油圧作動油パワースクエアフランジクランプ接続
メートル法の正方形の油圧フランジ継手は、ISO6164規格に準拠した4つのボルトフランジ寸法です。 これは、油圧アプリケーション用の正方形パターンのブロックフランジであり、モバイルおよび産業用配管機器のモーター、ポンプ、ジャックなどのシールになります。
ISOスクエアフランジクランプの寸法はSAEJ518標準サイズチャートとは異なり、42MPaの高圧には4本のネジワンピースフランジ接続が使用されます。 DN25から80までのサイズ。
使用圧力は、フランジクランプ、フランジヘッド、ネジ、およびポートの鉄材に基づいています。 最小値
スクエアフランジカップリング接続アセンブリのタイプは次のとおりです。
突合せ溶接のフランジ付きジョイントアセンブリ
ポートへのフランジ接続アセンブリ
以下を含むISOスクエアフランジ接続システムのコンポーネント:
スクエアフランジクランプ
スクエアフランジアダプター(溝付きまたは溝なしのフランジヘッド
Oリングシール
スクリュー
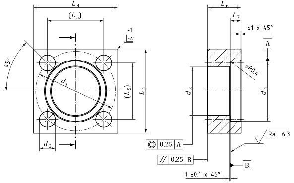
スクエアフランジクランプの寸法

部品番号 | ドミナルサイズ | d1 | d2 | d3 | d4 | L4 | L5 | L6 | L7 | c |
FCS-25 | 25 | 62 | 11 | 38.9 | 48.4 | 65 | 43.8 | 25 | 8.5 | 10 |
FCS-32 | 32 | 73 | 13 | 44.6 | 54.8 | 75 | 51.6 | 30 | 9.3 | 12 |
FCS-38 | 38 | 85 | 17 | 51.6 | 64.3 | 90 | 60.1 | 36 | 11.5 | 14 |
FCS-51 | 51 | 98 | 17 | 67.6 | 80.2 | 100 | 69.3 | 40 | 11.5 | 16 |
FCS-56 | 56 | 118 | 21 | 80.5 | 95 | 120 | 83.4 | 50 | 15.5 | 20 |
FCS-63 | 63 | 145 | 21 | 90.5 | 111 | 150 | 102.5 | 52 | 16.1 | 20 |
FCS-70 | 70 | 160 | 25 | 102.5 | 120 | 160 | 113.1 | 60 | 17.5 | 20 |
FCS-80 | 80 | 175 | 31 | 114.5 | 136 | 180 | 123.7 | 70 | 21 | 24 |
角フランジの最大使用圧力アセンブリ
角フランジポートのポート寸法

ドミナルサイズ | d1 | d5 | L3 | L5 | L8 | L12 | r | t1 | リマーク |
25 | 62 | 11 | 15.5 | 43.8 | 68 | 65.3 | 10 | M10x1.5 | |
32 | 73 | 13 | 20.5 | 51.6 | 80 | 75.3 | 12 | M12x1.75 | |
38 | 85 | 17 | 24.5 | 60.1 | 95 | 90.3 | 14 | M16x2 | |
51 | 98 | 17 | 24.5 | 69.3 | 105 | 100.3 | 16 | M16x2 | |
56 | 118 | 21 | 31 | 83.4 | 125 | 120.3 | 20 | M20x2.5 | |
63 | 145 | 21 | 39 | 102.5 | 155 | 150.5 | 20 | M24x3 | |
70 | 160 | 25 | 41 | 113.1 | 165 | 160.5 | 20 | M24x3 |
これらの寸法は参考用です。
ISO 724、粗ピッチISO261に準拠したねじ山。
ねじ山とねじの長さは、異なる鋼用に計算されています。
スクエアフランジヘッド寸法

部品番号 | ドミナルサイズ | d6最大 | d7最大 | d8最大 | d9 | d10 | L9 | L10 | L11 | L13 |
FCSH-25 | 25 | 38 | 23 | 25 | 39.2 | 47.6 | 27 | 9.5 | 2.75 | 5.4 |
FCSH-32 | 32 | 44 | 29 | 30 | 43.9 | 54 | 32 | 10.3 | 2.75 | 5.4 |
FCSH-38 | 38 | 51 | 35 | 37 | 53.2 | 63.5 | 38 | 12.6 | 2.75 | 5.4 |
FCSH-51 | 51 | 67 | 45 | 47 | 65.8 | 79.4 | 42 | 12.6 | 4.25 | 7.7 |
FCSH-56 | 56 | 80 | 54 | 56 | 78.3 | 94.2 | 52 | 16.5 | 4.25 | 7.7 |
FCSH-63 | 63 | 90 | 59 | 60 | 84.5 | 110 | 56 | 18 | 4.25 | 7.7 |
FCSH-70 | 70 | 102 | 66 | 68 | 93.8 | 119 | 65 | 20 | 4.25 | 7.7 |
FCSH-80 | 80 | 114 | 74 | 76 | 97 | 135 | 75 | 23.5 | 4.25 | 7.7 |
注意:
異なる使用圧力を維持するために、ポートには異なる材料が選択されています。
人気ラベル: メートル法の正方形の油圧フランジ、中国、メーカー、サプライヤー、カスタム、真ちゅう、スウェージロック、パーカー、スタウフ、ブレナン、ステンレス鋼












